Boutique en ligne
Mon compte
A notre sujet
Services
Produits
Téléchargements
Emplois et carrières
Contact
Français
Deutsch
Italiano
Menu
Panier
S’inscrire
Menu
Onlineshop
Über uns
Dienstleistungen
Produkte
Downloads
Jobs/Karriere
Kontakt
News
Customizing
Manager
Assortiment
Tour l’assortiment
Technique de fixation
Outils
Technique de fixation
Pièces normalisées et standard
Vissage direct
Technique d'ancrage
Rivetage et technique de pressage
Technique de montage
Systèmes de connexion et de serrage Lindapter
Pièces normalisées et standard
Vis
Profilés filetés
Écrous
Rondelles
Eléments de sécurité
Eléments de sécurité
Rondelles de sécurité
Plaques d'arrêt
Capuchons de protection
Sécurisation des arbres et des moyeux
Goupilles fendues / Ressorts à emboîter
Bagues de réglage / Bagues de serrage
Goupilles élastiques
Clavettes
Pointes
Sécurisation des arbres et des moyeux
Élément de sécurité Alésage
Élément de sécurité Arbres
Vous n'avez pas trouvé ce que vous cherchiez ?
Nous vous conseillons volontiers
Retour
Technique de fixation
Pièces normalisées et standard
Eléments de sécurité
Sécurisation des arbres et des moyeux
Élément de sécurité Alésage
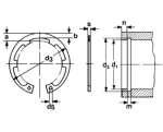
Circlips JK acier à ressort phosphaté DIN 984
Circlips JK acier à ressort phosphaté DIN 984
Marquer
Numéro d'article.
7612085341010
Mot-clé
539463600.JK 18
ST
PK à 0
ST
PK à 100 pc
unités
pc
pc
Panier
Modifier l'article
Zuschnitt: 800 mm
Gehrungsschnitt: A: 45°, B 45°
Sandstrahlen & grundieren
CHF
+13.70
/ Stk.
Modifier l'article
Caractéristiques de l’article
montre plus
Montrer moins
Vous n'avez pas trouvé ce que vous cherchiez ?
Nous vous conseillons volontiers
Articles similaires
Rondelles à plateau HRc 52 noir DIN 2093 C
56 X 28,5 X 1,5
Marquer
Panier
Rondelles de sécurité S SCHNORR® INOX A2
M 27
Marquer
Panier
HEICO-LOCK
Rondelles de sécurité HEICO-LOCK HLS Zinc Lam.
M 8 (8.6x13.5x2.7)
Marquer
Panier
Plaques d'arrêt à 2 talon acier Zb DIN 463
M 10
Marquer
Panier
Rondelles de sécurité Nord-Lock®Zinc Lam.DIN 25201
M 27 X 42
Marquer
Panier
Circlips acier ressort phosphaté huilé DIN 472-JS
JS 85 X 4
Marquer
Panier
Circlips INOX DIN 472
J 25
Marquer
Panier
Rondelle de sécurité S SCHNORR® acier ressort Zb
M 16
Marquer
Panier
Rondelles de sécurité Nord-Lock® INOX A4 DIN25201
M 14 X 23 X 3
Marquer
Panier
Circlips acier à ressort phosphaté huilé DIN 472
J 17
Marquer
Panier
HEICO-LOCK
Rondelles de sécurité HEICO-LOCK HLB-S INOX A4
M 18 (19,5X34,5X3,6)
Marquer
Panier
Plaques d'arrêt avec ergot acier Zb DIN 432
M 20
Marquer
Panier
Circlips JV acier à ressort phosphaté
JV 50
Marquer
Panier
Anneau élast. SB ac.ressort HV450-520 N phosphaté
SB 11
Marquer
Panier
Rondelle cale acier 2 K 60 huilé clair DIN 988
120 X 150 X 0,1
Marquer
Panier
Dernièrement consulté
Rondelles HV acier C 45 pho EN 14399-6
M 12
Marquer
Panier
Rivets étanches FIXI tête plate alu / acier
3.2 X 8 - KL 2-3.5
Marquer
Panier
Rondelles acier 100 HV zingué au feu DIN 126
M 12 (13,5x24x2,5)
Marquer
Panier
Circlips acier à ressort zingué-bleu DIN 471
4
Marquer
Panier
Vous avez été déconnecté pour cause d’inactivité.
Veuillez recharger la page et vous reconnecter si nécessaire.
Recharger la page